Brake stepper motor Nema17 or Nema23
${{App.Price(price)}}
Specification{{specs.length > 1 ? 's' : ''}}:
{{spec.fdColor}}
{{spec.fdSize}}
Quantit{{quantity > 1 ? 'ies' : 'y'}}:
NEMA23 Stepper Motor with Brake
Motor Depth: 56mm
Two phase 4 lead wires bipolar stepper
Step Angle: 1.8 degree
Rated Current 2.8A
Rated Voltage: 3.08V
Holding Torque: 1.3N.m
Shaft: 6.35mm flat shaft
Brake: 24VDC Mechanical
When power failure, the max holding torque can reach 1N.m
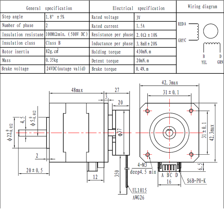
Nema17 Brake Stepper Motor
Nema17 48mm stepper motor
24V Brake holding torque 0.6N.m


Permanent Magnetic Brake NEMA23 Stepper Motor
Electromagnetic brake NEMA23 stepper motor

